北京世纪森朗设计生产的UC多功能气固相催化反应装置,实现对丙烯脱氧催化剂、丙烯临氢脱氧催化剂反应性能评价,使用气固相催化反应装置对催化剂考察是常用的方法之一。该气固相催化反应装置可以模拟厂区工况下的环境条件(温度、压力、进料组成等), 通过实验室级性能评价装置研究反应过程中发生的现象以及催化剂的脱氧性能,对厂区真实工况下催化剂的反应性能有较大程度指导意义,为后期的厂区放大实验提供重要的基础数据。可为材料测试和实验提供精确的温度、压力、气体浓度可调的实验环境,具有分离单元、压力控制单元和在线分析取样单元。同时作为科研系统,气固相催化反应装置,设有智能仪表模块。AI 智能仪表模块采用单体式控制,各模块之间干扰小,具有更高稳定性。控制系统采用标准组态软件包,符合国际同类装置的标准,应采用中文显示,操作门槛低,学习简单方便。

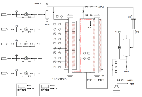
多功能气固相催化反应装置整体分为气体进料单元、催化反应单元、冷凝分离单元、在线分析取样单元,可以完成一定压力、温度条件下的脱氧性能测试,以及开展脱氧机理、脱氧动力学研究。系统可对催化剂脱氧效果进行性能进行综合性能评价,可开展脱氧催化剂快筛、脱氧催化剂机理研究、脱氧催化剂动力学研究等;
1. 气体管路、阀门和接头等需采用抗腐蚀耐压的材料;
2. 系统能够自动实现气路的切换和吹扫;
3. 系统能够自动进行压力检测,并提醒工作人员进行换气操作;
4. 提供抗腐蚀耐压的密闭实验舱;
5. 系统可通入5种以上不同浓度的标准气体。
多功能气固相催化反应装置,由 O2、丙烯、H2和/或其他物料组成,由质量流量控制器计量,三者经过配比混合后得到一定 O2、丙烯、H2浓度湿度的模拟气,再进入催化剂中进行脱氧反应,催化剂提前定量配置在固定床反应器中。可以通过加热完成催化剂的再生。O2由质量流量控制器计量,可以经过汽化器预热至一定温度后进入固定床反应器;装置整体流程由气体进料单元、水蒸气进料单元、保温单元、冷凝分离单元及在线分析取样单元组成。